My Mini-Boy was found in Italy in 2021, quite expensive to buy and had a few faults as per usual when buying old tech, rarely maintained due to labour costs. UK price then was 35 Gns, without extension speaker. The mini-Boys had been around in various shapes since 1958 just after transistors came on the market allowing radios to be made smaller but at a cost to the sound quality. Grundig's answer was to have a separate larger speaker in doors for music and outdoors for talk radio. They actually made another extension speaker with a clock in the centre for use when radio was away.
![]() |
| Mini-Boy clock version |
The repair
![]() |
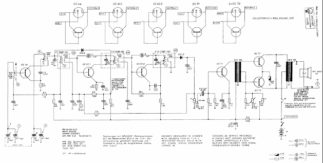
| Grundig 'mini-boy' 200 circuit and layout |
Components are fitted that tight that there is just room for speaker magnet and battery and that's it. Tuning capacitor mounted edge-on with a small bracket also saves space and was easily removed for replacing. The aerial coils had come loose on the ferrite rod, just added some Uhu glue.
The instruction book harps back to the Jazz age, but sadly I didn't get a copy. I used some plastic cleaner on the cabinets and all was good for a battery and a display. I've added a video for clarity & Facebook.





No comments:
Post a Comment